Qu’est-ce que l’étude de structure ?
L’étude de structure garantit la stabilité, la conformité et la durabilité de l’ouvrage. Elle comprend la conception des plans techniques, les calculs de dimensionnement, la sélection des armatures (standard ou sur mesure), et la fourniture de la nomenclature des produits.
Deux types d’études sont proposés :
- Une étude de structure avec les armatures FIMUREX.
- Une étude de structure avec des armatures hors catalogue.

Nos prestations d’étude de structure en phase d’exécution :
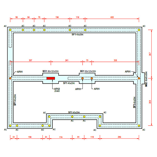
Étude de structure
type P1

- Cotation
- Attentes
- Axe
- Altimétrique
- Axe
- Coupes en élévation
- Coupes type
- Coupes détaillées
- Cotation
- Vue façades
- Vue isométrique
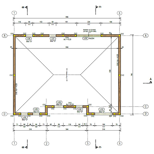
Étude de structure
type P2

- Cotation
- Attentes
- Axe
- Altimétrique
- Axe
- Coupes en élévation
- Coupes type
- Coupes détaillées
- Cotation
- Vue façades
- Vue isométrique
Étude de structure
type P3

- Cotation
- Attentes
- Axe
- Altimétrique
- Axe
- Coupes en élévation
- Coupes type
- Coupes détaillées
- Cotation
- Vue façades
- Vue isométrique
Étude de structure
type P4

- Cotation
- Attentes
- Axe
- Altimétrique
- Axe
- Coupes en élévation
- Coupes type
- Coupes détaillées
- Cotation
- Vue façades
- Vue isométrique




Vous avez besoin de réaliser
une étude de structure ?
N’hésitez pas à faire appel à nos services pour mener à bien votre entreprise.
Notre équipe sauras vous écouter et présenter leur solutions correspondant

L’étude structure : En quoi consiste-t-elle ?
L’étude de structure repose sur une démarche globale et rigoureuse, conçue pour assurer la fiabilité, la clarté et la réussite de votre projet. Elle s’articule autour des étapes suivantes :
Étapes obligatoires
|
Nous réalisons une analyse approfondie des caractéristiques du chantier afin d’identifier toutes les contraintes structurelles, les charges à reprendre et les exigences réglementaires. Cette étape fondamentale garantit une base solide pour une conception cohérente et sécurisée. |
|
Nos ingénieurs conçoivent les éléments porteurs en béton armé ou en maçonnerie, en tenant compte des particularités du site, des objectifs du maître d’ouvrage et des normes en vigueur. Selon les besoins, l’étude peut s’appuyer sur des armatures FIMUREX standard ou proposer des solutions sur mesure pour répondre à des contraintes spécifiques. |
|
Chaque composant de la structure (fondations, poteaux, poutres, dalles, voiles…) fait l’objet de calculs précis, assurant la stabilité de l’ouvrage face aux différentes sollicitations (charges permanentes, variables et exceptionnelles). |
|
Nous produisons des plans détaillés et des coupes techniques qui facilitent la lecture du projet, aussi bien dans ses dimensions horizontales que verticales. Ces documents assurent une exécution fiable et conforme sur le terrain. |
Étapes optionnelle
Pour un compréhension optimale, nous proposons en option :
|
Des vues 3D pour visualiser les volumes et l’implantation des éléments structurels. Des vues de façades mettant en valeur les éléments en béton, utiles pour la coordination avec les autres corps d’état et la validation esthétique. |
Cette approche structurée permet d’anticiper les difficultés, d’optimiser les ressources et de garantir la conformité de votre projet à chaque étape.
Quel est l’apport de STANDARM via l’étude de structure ?
Le bureau d’étude structure joue un rôle central dans la réussite de tout projet de construction. Son expertise technique intervient à chaque étape clé, garantissant la sécurité, la performance et la cohérence de l’ouvrage. Les apports essentiels de STANDARM :

Sécurisation du projet
En assurant la stabilité, la résistance et la conformité de l’ouvrage, le bureau d’étude prévient les risques structurels et les erreurs d’exécution.

Clarté technique
La réalisation de plans détaillés, de coupes d’exécution, ainsi que, sur demande, de vues 3D et de façades, permet une compréhension optimale du projet et facilite la coordination entre tous les intervenants.

Vision globale du projet
L’étude structurelle s’intègre dans une démarche de conception globale, en synergie avec les autres corps d’état, pour garantir la cohérence technique et architecturale de l’ensemble de l’ouvrage.

Optimisation des ressources
Le dimensionnement précis des éléments porteurs, l’ajustement des armatures (standard ou sur mesure) et la rationalisation des matériaux contribuent à maîtriser les coûts et à respecter les délais.

Adaptabilité aux contraintes
Chaque chantier étant unique, le bureau d’étude identifie les contraintes techniques, réglementaires et environnementales pour proposer des solutions sur mesure.

Vision globale du projet
L’étude structurelle s’intègre dans une démarche de conception globale, en synergie avec les autres corps d’état, pour garantir la cohérence technique et architecturale de l’ensemble de l’ouvrage.
Pourquoi réaliser une étude de structure ?
L’ensemble des étapes de l’étude de structure permet de garantir un haut niveau de sécurité d’un ouvrage. Elle est essentielle pour :
Assurer la sécurité des structures
Optimiser les coûts de construction
Garantir la pérennité des constructions
Chaque élément est dimensionné pour limiter la déformation et assurer la stabilité de l’ouvrage. En identifiants les zones sensibles, l’étude de structure permet de concevoir des renforts prévenant des désordres graves dus aux surcharges.
Être en conformité réglementaire et garantir la fiabilité du projet
En cas de contrôle par un bureau de contrôle, l’étude structure permet d’apporter une réponse argumentée et conforme aux exigences réglementaires. Réalisée selon les normes en vigueur, telles que les Eurocodes ou les règles parasismiques.
Vous avez besoin de réaliser
une étude de structure ?
N’hésitez pas à faire appel à nos services pour mener à bien votre entreprise.
Notre équipe sauras vous écouter et présenter leur solutions correspondant

Quels sont les avantages de notre étude de structure ?

Économique
- Optimisation des quantités de matériaux dès la phase d’étude, pour un budget maîtrisé.
- Réduction des surcoûts liés aux erreurs ou aux ajustements en cours de chantier.

Simple & rapide
-
Plans clairs et normalisés, facilitant une exécution fluide et sans ambiguïté.
-
Coordination renforcée entre tous les intervenants grâce à une vision partagée et accessible du projet.

Garanties & sécurité
- Calculs validés pour garantir la stabilité et la fiabilité de l’ouvrage.
- Prise en compte systématique des contraintes sismiques, géotechniques, PPR et réglementaires.
- Certificat de conformité sismique délivré sur demande*.
*Conforme à l’ordonnance n°2022-1076 du 29 juillet 2022.

Adaptabilité
-
Possibilité d’intégrer des vues 3D et des façades pour une compréhension optimale et une meilleure anticipation des enjeux techniques.
Selon la demande, une note de calcul ou une descente de charges peut être fournie pour les éléments dimensionnés par STANDARM, afin de justifier les choix techniques et garantir la conformité aux normes en vigueur.
Questions fréquentes relatives à l’étude de structure :
Quel est le prix d’une étude de structure ?
Chez STANDARM, la réalisation d’une étude de structure varie selon les projets : de la maison individuelle aux projets complexes, de nombreuses variables influent sur le prix.