L’étude de structure PRO

Qu’est-ce qu’une étude structure PRO ?

 

L’étude de structure PRO approfondit la pré-étude en validant les hypothèses structurelles et en produisant des plans détaillés (implantation, coupes, perspectives).

Cette phase permet la rédaction des documents techniques nécessaires à la consultation des entreprises pour l’exécution des ouvrages.

Nos prestations d’étude de structure en phase projet :

Étude de structure PRO

Étude de structure PRO – Standarm
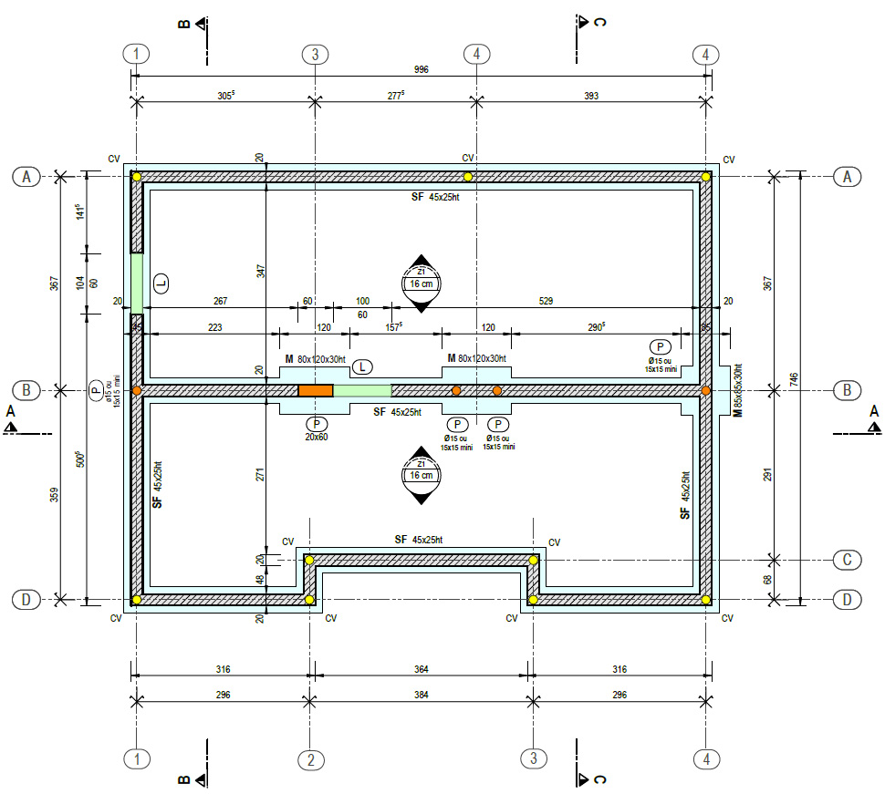
Plans
  • Cotation
  • Plan
  • Axe
  • Coupes en élévation
Options
  • Vue isométrique
Standarm icon check Standarm Contenus réalisés
Standarm icon warning Standarm Options disponibles

Dans quelle phase du projet s’imbrique l’étude structure PRO ?

ESQ – Étude d’esquisse

APS – Avant-projet sommaire

APD – Avant-projet définitif

PC – Permis de construire

PRO – Phase projet

DCE – Dossier de consultation des entreprises

L’étude de structure PRO : en quoi consiste-t-elle chez STANDARM  ?

L’étude de structure PRO fait le lien entre la pré-étude et la préparation du chantier. Elle consiste à :

  • Valider les choix structurels : Consolidation des hypothèses APS/APD en analysant les contraintes et charges.
  • Définir le système constructif : Précision des solutions techniques à retenir (éléments porteurs).
  • Élaborer les plans détaillés : Plans d’implantation, coupes en élévation, vues complémentaires.
  • Redimensionner les composants : Dimensionnement des éléments porteurs intégrant toutes les contraintes.
  • Estimer les quantités : Évaluation du taux d’acier.

Ces informations sont remises avec un plan de structure comprenant l’implantation précise des poutres, poteaux, etc. , ainsi que des coupes en élévation permettant une lecture claire du projet, aussi bien horizontalement que verticalement.

Vous avez besoin de réaliser
une étude de structure ?

 

N’hésitez pas à faire appel à nos services pour mener à bien votre projet.

Notre équipe sauras vous écouter et présenter leur solutions correspondant

Quels sont les avantages de l’étude de structure PRO ?

Étude de structure PRO – Standarm - avantages économiques

Economique

Réduction des coûts imprévus (limiter les risques de modifications)
Étude de structure PRO – Standarm - avantages simpicité et rapidité

Simple & rapide

  • Communication et collaboration facilitées entre les interlocuteurs
Étude de structure PRO – Standarm - avantages sécurité

Garanties et sécurité

  • – Réduit les risques et retard du chantier
  • – Certificat de conformité sismique délivré*
  • – Adaptation de la structure aux contraintes géologiques, architecturales et règlementaires

*conforme à l’ordonnance n°2022-1076 (29 juillet 2022)

Questions fréquentes relatives à l’étude de structure phase PRO-DCE :

Qu’est-ce qu’un DCE dans un appel d’offre ?
Un DCE (Dossier de Consultation des Entreprises) est un ensemble de documents transmis aux entreprises dans le cadre d’un appel d’offres.

Il définit précisément ce qui est attendu, comment répondre, et sur quelles bases les offres seront évaluées, permettant aux entreprises candidates de comprendre le projet, d’évaluer les travaux à réaliser et de préparer leur offre technique et financière.

Est-ce que le DCE est obligatoire ?
Le DCE est obligatoire dans le marché public, et est fortement recommandé dans le marché privé puisqu’il définit de manière claire et structurée les attentes liées au projet, permettant aux différents acteurs de réfléchir sur une base commune normée.
Quelle est la différence entre un CCTP et un DCE ?
Le CCTP fait partie du DCE. Il représente la partie technique du dossier, et est utilisé pour la réalisation de devis techniques. Il sera intégré au sein du DCE avec les documents administratifs et financiers pour la consultation des entreprises.
Qu’est-ce qu’un DCE en construction ?
Un DCE en construction est le dossier clé qui formalise la consultation des entreprises. Il structure l’appel d’offres et garantit que les travaux seront réalisés conformément aux attentes du maître d’ouvrage.
Quelle est la différence entre un CCTP et un CCP ?

Le CCTP (Cahier des Clauses Techniques Particulières) est un document qui spécifie les exigences techniques concernant l’exécution des travaux. Le CCP (Cahier des Clauses Particulières) établit les règles spécifiques du projet au-delà des conditions générales prévues dans un contrat standard.

Quelle est la différence entre un CCAP et un CCTP ?
Le CCAP régit les modalités administratives et financières d’un marché de travaux. Le CCTP définit la manière dont le projet doit être réalisé techniquement.
Est-ce que le CCAP est obligatoire ?
De la même manière que pour le DCE auquel il est intégré, le CCAP (Cahier des Clauses Administratives Particulières) est obligatoire dans le cadre des marchés publics pour encadrer les relations administratives entre le maître d’ouvrage et l’entreprise réalisant les travaux. Dans le cadre d’un marché privé, son utilisation n’est pas obligatoire mais elle est fortement conseillée, selon l’ampleur du projet.
Quelle est la différence entre un CCAG et un CCAP ?
Le CCAG (Cahier des Clauses Administratives Générales) est un document général standardisé qui définit les règles administratives applicables à tous les marchés publics d’un même type. Le CCAP (Cahier des Clauses Administratives Particulières) est spécifique à un marché spécifique et adapte les règles générales aux particularités du projet.